WG-Wall
Wireless Gateway for Wall
Full Lighting Controls - Wireless System
이 Wireless Gateway는 벽부형 제품이다. 하나의 게이트웨이에서 AG(Access Group)을 최대 127 개 까지 구성할 수 있으나, 실질적으로는 AG 5개 구성되어 무선모듈을 운영한다.
Main Feature
…국제표준규격 IEEE 802.15.4 ZIGBEE 통신
…최대 254개의 Gateway는 Stand Alone 기능을 보유.
…최대 AG(Access Group) 127개
…실질적인 AG 5개 이하로 구성.
…하나의 게이트웨이(WG)는 5개의 AG이내로 구성되며, 하나의 AG는 64개의 Wireless Dimming Module로 설계되어 있다.
…254단계의 조도 조절 가능
…16개의 SCENE 설정 가능
…16개의 GROUP 설정 가능
…LAMP상태 : 각 스위치버튼 자체 발광으로 ON/OFF상태 표시.
…ELC통신라인에 연결되어, 전체 WDM에 대하여 개별 및 그룹제어 가능
…각 SCENE별 Dimming 제어가 가능하고, 재실감지기와 조도 감시 센싱 기능을 포함하고 있다.
…각 무선디밍모듈은 디밍의 FADING없이 STEP UP 및 DOWN가능
…각 무선디밍모듈에 설치되어 있는 재실 및 조도 감지 센서는 Enable 의 선택 여부에 따라 동작 및 미동작됨.
…각 무선모듈은 Stand Alone기능의 CPU를 내장하여, 현장에서 센서에 의한 디밍제어 가능
…자기진단기능이 있어, 통신에러 및 디밍출력 에러 상태 표시.
…스위치 기능을 보유하여 그룹 및 SCENE, DIRECT, INDIRECT기능 LOCAL 제어 가능
…최대 254개의 Gateway는 Stand Alone 기능을 보유.
…최대 AG(Access Group) 127개
…실질적인 AG 5개 이하로 구성.
…하나의 게이트웨이(WG)는 5개의 AG이내로 구성되며, 하나의 AG는 64개의 Wireless Dimming Module로 설계되어 있다.
…254단계의 조도 조절 가능
…16개의 SCENE 설정 가능
…16개의 GROUP 설정 가능
…LAMP상태 : 각 스위치버튼 자체 발광으로 ON/OFF상태 표시.
…ELC통신라인에 연결되어, 전체 WDM에 대하여 개별 및 그룹제어 가능
…각 SCENE별 Dimming 제어가 가능하고, 재실감지기와 조도 감시 센싱 기능을 포함하고 있다.
…각 무선디밍모듈은 디밍의 FADING없이 STEP UP 및 DOWN가능
…각 무선디밍모듈에 설치되어 있는 재실 및 조도 감지 센서는 Enable 의 선택 여부에 따라 동작 및 미동작됨.
…각 무선모듈은 Stand Alone기능의 CPU를 내장하여, 현장에서 센서에 의한 디밍제어 가능
…자기진단기능이 있어, 통신에러 및 디밍출력 에러 상태 표시.
…스위치 기능을 보유하여 그룹 및 SCENE, DIRECT, INDIRECT기능 LOCAL 제어 가능
Application
Specification
…사무실 지역 적용
…지하주차장 지역 적용
…회의실 적용
…복도 및 로비 지역 적용
…강당 및 식당 지역 적용
…오피스빌딩, 쇼핑몰, 호텔, 주상복합, 터미널등 공용지역등에적용하여, 절전 및 조명의 효율적인 관리시스템으로 활용.
…LED 등기구 개별 및 그룹 DIMMING SCENE 제어
…외부 조도에 따른 자동 LED 디밍 제어
…동체 감지 센서에 의한 LED 디밍 제어
…무선통신에 따른 설치 공사가 용이하고, 유지보수가 편리함.
…자체 자기진단기능에 의한 유지보수가 용이함
…실제 설치 운영 경험에 따른 다양한 기능의 활용
…ELC Network와 Wireless 통신 간의 중계 역할 수행.
…유무선 통신 통합 Gateway
…SCU 및 Smartrol 간의 통신을 수행하며, 0 - 255 NODE로 구성되어, 최대 255개의 Gateway 구성.
…Stand Alone 기능 : 스케줄, 그룹정보, Scene기능.
…즉, LED 조명 개별/그룹별 원격제어, 타임스케줄 제어.
…IEEE 802.15.4 ZIGBEE TO ETHERNET 프로토콜 변환.
…동작전원 : 12 - 24VDC, 250mA
…통신 : IEEE 802.15.4 ZIGBEE
…동작조건 : 0 - 50°C, 0 -90% RH
…지하주차장 지역 적용
…회의실 적용
…복도 및 로비 지역 적용
…강당 및 식당 지역 적용
…오피스빌딩, 쇼핑몰, 호텔, 주상복합, 터미널등 공용지역등에적용하여, 절전 및 조명의 효율적인 관리시스템으로 활용.
…LED 등기구 개별 및 그룹 DIMMING SCENE 제어
…외부 조도에 따른 자동 LED 디밍 제어
…동체 감지 센서에 의한 LED 디밍 제어
…무선통신에 따른 설치 공사가 용이하고, 유지보수가 편리함.
…자체 자기진단기능에 의한 유지보수가 용이함
…실제 설치 운영 경험에 따른 다양한 기능의 활용
…ELC Network와 Wireless 통신 간의 중계 역할 수행.
…유무선 통신 통합 Gateway
…SCU 및 Smartrol 간의 통신을 수행하며, 0 - 255 NODE로 구성되어, 최대 255개의 Gateway 구성.
…Stand Alone 기능 : 스케줄, 그룹정보, Scene기능.
…즉, LED 조명 개별/그룹별 원격제어, 타임스케줄 제어.
…IEEE 802.15.4 ZIGBEE TO ETHERNET 프로토콜 변환.
…동작전원 : 12 - 24VDC, 250mA
…통신 : IEEE 802.15.4 ZIGBEE
…동작조건 : 0 - 50°C, 0 -90% RH
Dimension of Layout

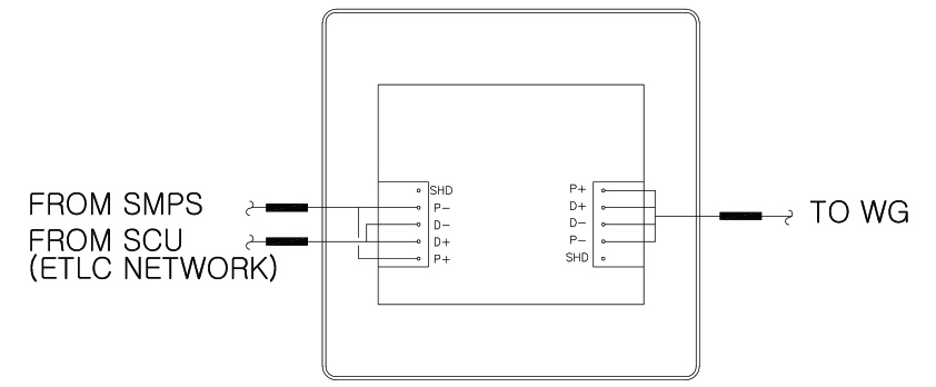
Connection Diagram

Categories
Date
Download
