E-Receiver
EnOcean Receiver for ELC
Full Lighting Controls - EnOcean
이 Receiver는 SWS(스마트무선스위치)들을 ELC시스템과 연결되어, 각 SWS(무선스위치)에 의해 각 릴레이 및 무선디밍모듈, 달리디밍모듈들을 동작되도록 하는 역할을 한다. 이 Receiver의 용량은 무선게이트웨이와 유사하게 적용된다. 그래서 , 하나의 Receiver에 약 24개 정도의 SWS가 연결되어 각 릴레이 및 디밍모듈들을 제어한다.
Main Feature
…국제표준규격 IEEE 802.15.4 ZIGBEE 통신
…1개의 Receiver에 약 24개의 SWS 연결
…1개의 SCU(ELC시스템)에 최대 254개의 Receiver 연결.
Application
Specification
…사무실 지역 적용
…지하주차장 지역 적용
…회의실 적용
…복도 및 로비 지역 적용
…강당 및 식당 지역 적용
…오피스빌딩, 쇼핑몰, 호텔, 주상복합, 터미널등 공용지역등에적용하여, 절전 및 조명의 효율적인 관리시스템으로 활용.
…LED 등기구 개별 및 그룹 DIMMING SCENE 제어
…외부 조도에 따른 자동 LED 디밍 제어
…동체 감지 센서에 의한 LED 디밍 제어
…무선통신에 따른 설치 공사가 용이하고, 유지보수가 편리함.
…자체 자기진단기능에 의한 유지보수가 용이함
…실제 설치 운영 경험에 따른 다양한 기능의 활용
…ELC Network와 Wireless 통신 간의 중계 역할 수행.
…유무선 통신 통합 Gateway
…SCU 및 SWS간의 통신을 수행하며, 0 - 255 NODE로 구성되어, 최대 255개의 Receiver 구성.
…IEEE 802.15.4 ZIGBEE TO ELC 프로토콜 변환
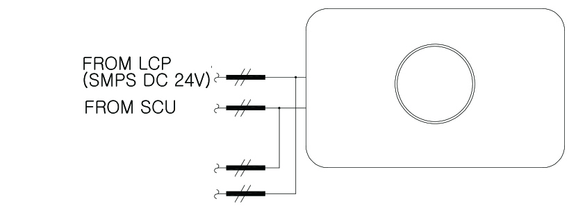
…동작전원 : 12 - 24VDC, 250mA
…통신 : IEEE 802.15.4 ZIGBEE
…동작조건 : 0 - 50°C, 0 -90% RH
…지하주차장 지역 적용
…회의실 적용
…복도 및 로비 지역 적용
…강당 및 식당 지역 적용
…오피스빌딩, 쇼핑몰, 호텔, 주상복합, 터미널등 공용지역등에적용하여, 절전 및 조명의 효율적인 관리시스템으로 활용.
…LED 등기구 개별 및 그룹 DIMMING SCENE 제어
…외부 조도에 따른 자동 LED 디밍 제어
…동체 감지 센서에 의한 LED 디밍 제어
…무선통신에 따른 설치 공사가 용이하고, 유지보수가 편리함.
…자체 자기진단기능에 의한 유지보수가 용이함
…실제 설치 운영 경험에 따른 다양한 기능의 활용
…ELC Network와 Wireless 통신 간의 중계 역할 수행.
…유무선 통신 통합 Gateway
…SCU 및 SWS간의 통신을 수행하며, 0 - 255 NODE로 구성되어, 최대 255개의 Receiver 구성.
…IEEE 802.15.4 ZIGBEE TO ELC 프로토콜 변환
…동작전원 : 12 - 24VDC, 250mA
…통신 : IEEE 802.15.4 ZIGBEE
…동작조건 : 0 - 50°C, 0 -90% RH
Dimension of Layout

Connection Diagram

Categories
Date
Download
