LDM-L2
LED Dimming Module for Level 2
LED Dimming Module
RLCM에서의 LDM(LED Dimming Module)은 최대 32개 까지 연결되어 각 LED조명 내에 설치 되어, LED조명을 Dimming 및 On/Off 제어한다. 프로그램 설정은 IGS Touch Switch 또는 STS에서 설정한다. LDM-L2 Series는 출력단의 종류에 따라, 여러가지 형태로 구분되어 있다.
Main Feature
…CAN 통신 네트워크에 연결 적용한다.
…254단계의 조도조절 기능.
…16개의 SCENE 및 GROUP 설정 기능.
…LAN Cable CAT.6. 4pr (RJ45)로 연결되는 Data Line.
…최대 통신 거리 500M.
…Address 설정 방법 : Random Address로 STS 또는 MR BLE APP에서 현장의 등라인 체크를 하면서 선택을 한다.
…LDM에는 16개의 Group을 선택할 수 있는 Addres switch가 있어, 이 어드레스 스위치로 16개 까지는 어드레스를 설정할 수 있다.
…Dimming range : 1% ~ 100%
…Dimming times : 프로그램
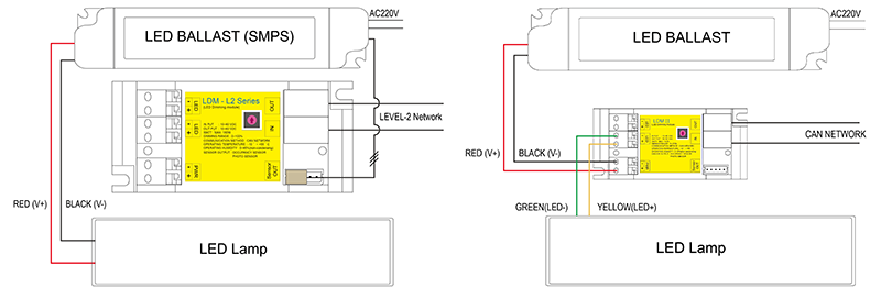
…출력단의 종류 : Normal Type은 LED등기구로 바로 연결되는 모듈이고, SMPS(LED Driver)에 PWM과 0-10v Signal을 주는 모듈로 구분된다.
…254단계의 조도조절 기능.
…16개의 SCENE 및 GROUP 설정 기능.
…LAN Cable CAT.6. 4pr (RJ45)로 연결되는 Data Line.
…최대 통신 거리 500M.
…Address 설정 방법 : Random Address로 STS 또는 MR BLE APP에서 현장의 등라인 체크를 하면서 선택을 한다.
…LDM에는 16개의 Group을 선택할 수 있는 Addres switch가 있어, 이 어드레스 스위치로 16개 까지는 어드레스를 설정할 수 있다.
…Dimming range : 1% ~ 100%
…Dimming times : 프로그램
…출력단의 종류 : Normal Type은 LED등기구로 바로 연결되는 모듈이고, SMPS(LED Driver)에 PWM과 0-10v Signal을 주는 모듈로 구분된다.
Operation
…LED등기구는 평판조명(면조명), 다운라이트, LED바등 다양한 타입의 등기구에 적용하여 RLCM의 CAN 통신을 통해 제어가 가능하다.
…LAN Cable CAT.6. 4pr를 각 LDM-L2에 준비되어 있는 RJ45 Jack으로 연결한다.
…LED등기구의 안정기는 정전압 방식의 출력전압이 60V/3A 이하에 최대180W 미만의 안정기를 사용해야 한다.
…LDM은 LED등기구 뒷면의 안정기 옆에 나사 또는 자석으로 취부한다.
…IGS Touch Switch와 STS의 설정 버튼 및 화면을 통해 각 LDM의 어드레스와 프로그램을 설정한다.
…LDM-2는 하나의 RLCM에 최대 32개 까지 연결하여, 개별/그룹/ Scene 제어 가능.
…16개의 그룹 설정 가능
…16개의 Scene 설정 가능
…Fade Time 설정 가능
…Fade Rate 설정 가능
…Min/Max. Level 설정 가능
…재실센서에 의한 제어 가능
…조도센서에 의한 제어 가능
…LAN Cable CAT.6. 4pr를 각 LDM-L2에 준비되어 있는 RJ45 Jack으로 연결한다.
…LED등기구의 안정기는 정전압 방식의 출력전압이 60V/3A 이하에 최대180W 미만의 안정기를 사용해야 한다.
…LDM은 LED등기구 뒷면의 안정기 옆에 나사 또는 자석으로 취부한다.
…IGS Touch Switch와 STS의 설정 버튼 및 화면을 통해 각 LDM의 어드레스와 프로그램을 설정한다.
…LDM-2는 하나의 RLCM에 최대 32개 까지 연결하여, 개별/그룹/ Scene 제어 가능.
…16개의 그룹 설정 가능
…16개의 Scene 설정 가능
…Fade Time 설정 가능
…Fade Rate 설정 가능
…Min/Max. Level 설정 가능
…재실센서에 의한 제어 가능
…조도센서에 의한 제어 가능
Specification
Dimension of Layout
…LED Minimum 10W - Maximum 180W type
…Environment Condition : -10℃ ~ 55℃, 0~95% RH
…Input Power : DC 10~60V Voltage
…Power consumption : 12 ~ 50W
…Communication Method : CAN Communication
…Maximum Communication Distance : 500M
…Communication Cable & Connector : CAT.6. 4pr & RJ45 Jack
…Output Power (POut) : Maximum 180W
…Output Voltage (VOut) : 12~60VDC (LDM-L2-n only)
…Outout Current (IOut) : Maximum 3,000mA (LDM-L2-n only)
…Dimming Range : 1~100%
…LDM-pwm and LDM-010 are PWM and 0-10V Signal only of SMPS, respectively.
…Environment Condition : -10℃ ~ 55℃, 0~95% RH
…Input Power : DC 10~60V Voltage
…Power consumption : 12 ~ 50W
…Communication Method : CAN Communication
…Maximum Communication Distance : 500M
…Communication Cable & Connector : CAT.6. 4pr & RJ45 Jack
…Output Power (POut) : Maximum 180W
…Output Voltage (VOut) : 12~60VDC (LDM-L2-n only)
…Outout Current (IOut) : Maximum 3,000mA (LDM-L2-n only)
…Dimming Range : 1~100%
…LDM-pwm and LDM-010 are PWM and 0-10V Signal only of SMPS, respectively.

Connection Diagram

Installation Guide


반제품 형태로 제공 가능
…당사의 LDM-2를 안정기 일체형으로 사용할 수 있도록, PCB형태로 제공 가능.
…Using semi-finished product of LDM-2, use inside the ballast.
…아래 그림을 참고.
…Using semi-finished product of LDM-2, use inside the ballast.
…아래 그림을 참고.

Product List

Categories
Date
Download
